BMW Motorrad Kembangkan Pengisian Baterai Layaknya Smartphone
BMW Motorrad mengembangkan teknologi pengisian baterai tanpa kabel. Layaknya smartphone canggih, pengisian daya ulang baterai motor BMW dilakukan dengan sistem wireless charging. Pengaplikasiannya juga unik, berlokasi di standar samping.
Bagi pabrikan sekelas mereka, era elektrifikasi jelas kian menantang. Terlebih semakin banyaknya peredaran electric vehicle (EV) di jalan. Pemenuhan kebutuhan konsumen tentulah menjadi prioritas, terutama soal kepraktisan pengisian baterai.

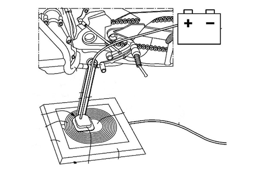
Pabrikan asal Jerman ini menemukan cara baru dan diklaim lebih alami. Untuk metode yang digunakan, BMW menempatkan sebuah pad pengisian yang diletakkan di tanah. Alat itu sekaligus menjadi dudukan standar samping. Tatakannya sendiri berisi koil AC, jika ada metal mendekatinya maka terjadi induksi listrik, lantas dialirkan ke baterai.
Cara pengisiannya dilakukan saat motor diparkir. Standar samping yang tersedia, menjadi komponen non-karet yang menyentuh tanah, agar bisa mengalirkan energi listrik. Ketika mendarat di bantalan pengisian nirkabel, kickstand ditransfer untuk membuat koneksi dengan unit pengisian baterai.
Teknologinya bisa dibilang menyontek dari smartphone canggih. Pengisian daya baterai dilakukan hanya dengan menempelkan gawai di atas bantalan/pad. Pengisian pad BMW mungkin hanya memberikan solusi pengisian 1 level. Membutuhkan satu malam untuk mengisi penuh baterai. Belum ada informasi lebih mengenai level pengisian cepat. Namun, pihak pabrikan bisa saja merencanakan itu. Pasalnya, saat ini teknologi Fast Charging perlahan juga sudah merambat ke wireless.

Inovasi ini sebenarnya sudah dipatenkan BMW sejak November 2019. Alat itu dianggap lebih rapi dan simpel. Tentunya sangat sejalan dengan perkembangan EV. Selain itu, dapat meningkatkan efisiensi dan memudahkan motor listrik BMW dalam hal pengisian ulang daya baterai.
Sayang, teknologi ini dianggap masih belum maksimal. Bahkan sempat menemui kendala, karena pengisian yang kurang optimal dan masih dalam tahap pengembangan. Belum diumumkan kapan BMW Motorrad mulai memasarkannya.
Untuk diketahui, beberapa sepeda motor listrik seperti Harley-Davidson LiveWire dan Lightning Strike, memiliki teknologi pengisian daya baterai mumpuni. Mereka mampu mengisi ulang daya baterai dengan cepat. Hanya membutuhkan waktu 40 menit untuk mengisi baterai hingga penuh. Namun cara itu masih konvensional, mencolokkan kabel ke soket listrik pengisian baterai.
Dalam pengembangan EV, langkah utama BMW yaitu merencanakan peningkatan infrastruktur seperti charging point. Hingga kini masih terus dijalankan, meski membuat infrastrukturnya sangat mahal. Dari sisi produknya, BMW Motorrad terus meluncurkan motor listrik lainnya. Sebelumnya, pabrikan Jerman ini sudah melahirkan produk motor listrik, C-Evolution Scooter. Tidak menutup kemungkinan ke depan diterapkan terhadap BMW C400X.(Bgx/Ano)
Sumber: Electrek, TopSpeed
Baca juga: Ajak Skutik Terjang Banjir, Pastikan Periksa Komponen Ini
Model Motor BMW
GIIAS 2025
Tren & Pembaruan Terbaru
- Terbaru
- Populer
Anda mungkin juga tertarik
- Berita
- Artikel feature
Motor Unggulan BMW
- Terbaru
- Yang Akan Datang
- Populer
Video Motor BMW Terbaru di Oto
Artikel Motor BMW dari Zigwheels
- Motovaganza
- Artikel Feature